Langsung ke konten utama

[45+] Chaussures Derby Élégantes - dessin..

[45+] Audi A4 Wiring Diagram Pdf, Audi Q3 (F3N) 2018-2020 Body Repair Manuals & Wiring Digarams_EN | Auto

Audi A4 Wiring Diagram Pdf Audi Q3 (f3n) 2018-2020 Body Repair Manuals & Wiring Digarams_en

The audi a4 complete wiring diagrams

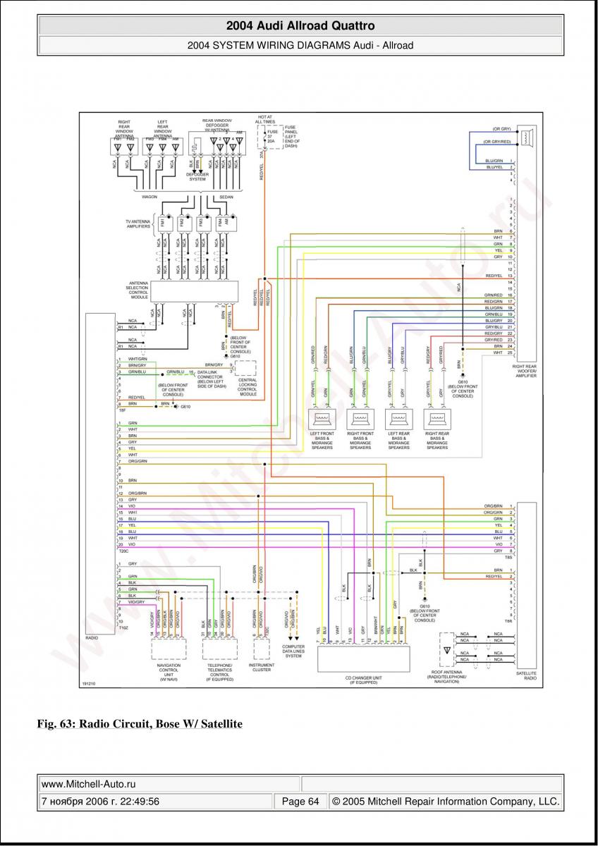
A4 audi wiring diagrams. Wiring a4 audi diagrams. Audi a6 allroad c5 quattro wiring diagrams page 64. The audi a4 complete wiring diagrams

AUDI 80 WIRING DIAGRAM 1992 Service Manual download, schematics, eeprom

AUDI 80 WIRING DIAGRAM 1992 Service Manual download, schematics, eeprom

Audi Q3 (F3N) 2018-2020 Body Repair Manuals & Wiring Digarams_EN | Auto

Audi Q3 (F3N) 2018-2020 Body Repair Manuals & Wiring Digarams_EN | Auto

Audi Q3 (F3N) 2018-2020 Body Repair Manuals & Wiring Digarams_EN | Auto

Audi Q3 (F3N) 2018-2020 Body Repair Manuals & Wiring Digarams_EN | Auto

The Audi A4 Complete Wiring Diagrams | Schematic Wiring Diagrams Solutions

The Audi A4 Complete Wiring Diagrams | Schematic Wiring Diagrams Solutions

Audi A4 Quattro Sedan (8WH) L4-2.0L Turbo (CYMC) 2019 Wiring Diagram

Audi A4 Quattro Sedan (8WH) L4-2.0L Turbo (CYMC) 2019 Wiring Diagram

Komentar

Postingan populer dari blog ini

[32+] Black Wood Modern Dining Chairs

[45+] Chaussures Derby Élégantes - dessin..

[Get 19+] Gamo Scope 4x32 Wr

Get Images Library Photos and Pictures. Gamo Scope 4X32 WR - gettitonline GAMO 3-9X32 WR Scope Gamo Scope Mounting - Gamo Tech video by AirgunWeb - YouTube GAMO OTTICA VAMPIR 4X32 WR - GAMO - SCOPES - SCOPE-LASER-SCOPEMOUNTS-RAILS - Armory & Hunting buellistore